LED的分类
1.按发光管发光颜色分
按发光管发光颜色分,可分成红色、橙色、绿色(又细分黄绿、标准绿和纯绿)、蓝光等。另外,有的发光二极管中包含二种或三种颜色的芯片。根据发光二极管出光处掺或不掺散射剂、有色还是无色,上述各种颜色的发光二极管还可分成有色透明、无色透明、有色散射和无色散射四种类型。散射型发光二极管和达于做指示灯用。
2.按发光管出光面特征分
按发光管出光面特征分圆灯、方灯、矩形、面发光管、侧向管、表面安装用微型管等。圆形灯按直径分为φ2mm、φ4.4mm、φ5mm、φ8mm、φ10mm及φ20mm等。国外通常把φ3mm的发光二极管记作T-1;把φ5mm的记作T-1(3/4);把φ4.4mm的记作T-1(1/4)。由半值角大小可以估计圆形发光强度角分布情况。从发光强度角分布图来分有三类:
(1) ◆ 高指向性 ◆
一般为尖头环氧封装,或是带金属反射腔封装,且不加散射剂。半值角为5°~20°或更小,具有很高的指向性,可作局部照明光源用,或与光检出器联用以组成自动检测系统。
(2) ◆ 标准型 ◆
通常作指示灯用,其半值角为20°~45°。
(3) ◆ 散射型 ◆
这是视角较大的指示灯,半值角为45°~90°或更大,散射剂的量较大。
3.按发光二极管的结构分
按发光二极管的结构分有全环氧包封、金属底座环氧封装、陶瓷底座环氧封装及玻璃封装等结构。
4.按发光强度和工作电流分
按发光强度和工作电流分有普通亮度的LED(发光强度<10mcd);超高亮度的led(发光强度>100mcd);把发光强度在 10~100mcd间的叫高亮度发光二极管。一般LED的工作电流在十几mA至几十mA,而低电流LED的工作电流在2mA以下(亮度与普通发光管相同)。
除上述分类方法外,还有按芯片材料分类及按功能分类的方法。
LED的应用
由于发光二极管的颜色、尺寸、形状、发光强度及透明情况等不同,所以使用发光二极管时应根据实际需要进行恰当选择。由于发光二极管具有最大正向电流 IFm、最大反向电压VRm的限制,使用时,应保证不超过此值。为安全起见,实际电流IF应在0.6IFm以下;应让可能出现的反向电压VR<0。 6VRm。LED被广泛用于种电子仪器和电子设备中,可作为电源指示灯、电平指示或微光源之用。红外发光管常被用于电视机、录像机等的遥控器中。

(1).利用高亮度或超高亮度发光二极管制作微型手电的电路如图5所示。图中电阻R限流电阻,其值应保证电源电压最高时应使LED的电流小于最大允许电流IFm。
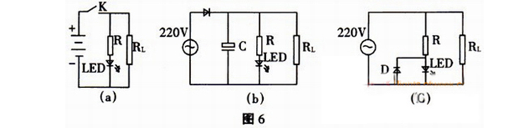
(2).图6(a)、(b)、(c)分别为直流电源、整流电源及交流电源指示电路。

图(a)中的电阻≈(E-VF)/IF;
图(b)中的R≈(1.4Vi-VF)/IF;
图(c)中的R≈Vi/IF式中,Vi——交流电压有效值。
(3).单LED电平指示电路。在放大器、振荡器或脉冲数字电路的输出端,可用LED表示输出信号是否正常,如图7所示。R为限流电阻。只有当输出电压大于LED的阈值电压时,LED才可能发光。

(4).单LED可充作低压稳压管用。由于LED正向导通后,电流随电压变化非常快,具有普通稳压管稳压特性。发光二极管的稳电压在1.4~3V间,应根据需要进行选择VF,如图8所示。
(5).电平表。目前,在音响设备中大量使用LED电平表。它是利用多只发光管指示输出信号电平的,即发光的LED数目不同,则表示输出电平的变化。当输入信号电平很低时,全不发光。输入信号电平增大时,首先LED1亮,再增大LED2亮…